48" approximate length 1/4" and 1/8" keyways on both shafts, differential assembly for pedicabs. They are made of a die cast aluminum differential case with 1215 cold drawn steel axle shafts that have black oxide coating. Product ID: 802548
Be sure and order TWO (2) of the axle nylock nuts (these are hard to find as well) linked below and this will ensure that the threads are not damaged in shipping.
1-14 N.E. REGULAR HEX NYLON INSERT LOCK NUT PLATED ZINC CLEAR
If you need pillow block bearings to support the axle we have them too. You should have FOUR or SIX bearing, one on each side of the center hub and one or two to support the wheel.
Details:
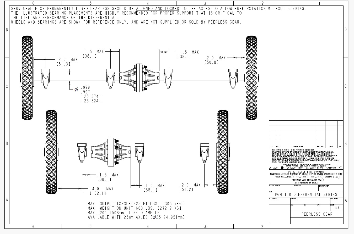
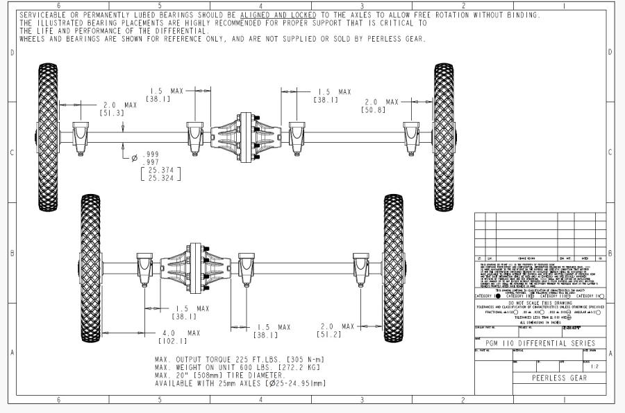
Axel Dia: 1"
Axel overall approximate length: 48”
Lengths to disc brake rotor approx: 22.497", 24.743".
Axel Threads: 1"-14 TPI x 1" long threads.
Keyway: 1/4" x 2.5" long keyways on both axels. See notes
Keyway: 1/8” x 3.325" long keyways on both axels. See reference sheet
Four thru holes and two threaded holes on one side of the hub.
Bolt Holes Four 0.35" dia. for 5/16-18 stud
Bolt Hole Pattern 0.941" x 2.81"
Note: Make sure you order the correct sprocket and disc brake rotor if needed as this is a
DIFFERENT bolt pattern than the Peerless brand differentials.
NOTE: The 4 bolt hub with the 1/4" keyway, bicycle hub with the 1/8" keyway and nylock nuts are NOT included with the differential.
Shipping Wt.: 20 lbs. Net weight: 13.80 lbs
Note: The differential may be taken apart so it will fit in a smaller box to reduct shipping cost.
California
Residents
WARNING: Cancer and Reproductive Harm
www.P65Warnings.ca.gov .